24小时服务热线

13621563997

搜索信息

净化回收技术及成套设备
首页 > 产品中心 > 净化回收技术及成套设备
净化回收技术及成套设备
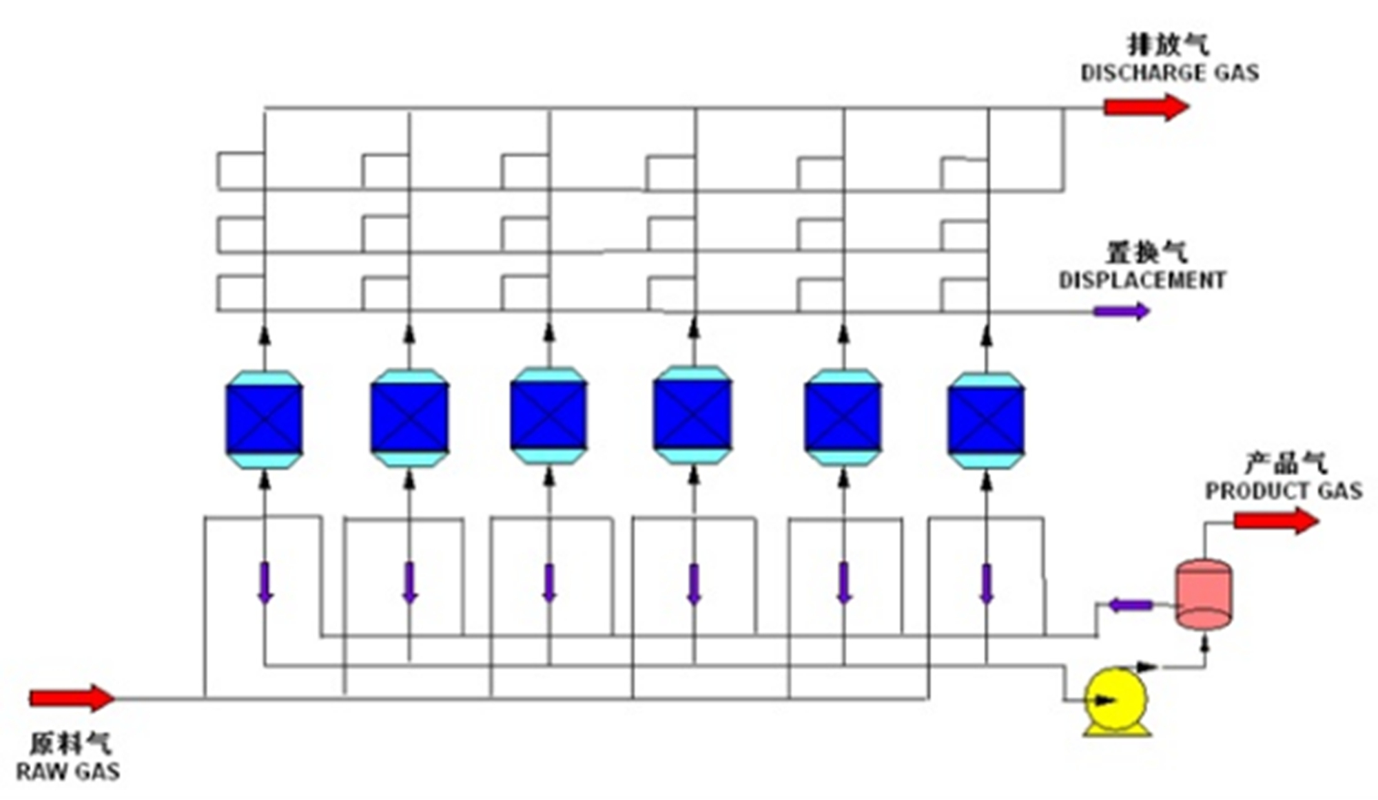
焦炉煤气净化提氢技术及成套设备
焦炉煤气净化提氢技术及成套设备

编号:KR-JH1001
产地:苏州
本技术包含3个主要单元及组合,即TSA、PSA、脱氧干燥,其中,PSA的工艺原理同前述同类技术相同。TSA即变温吸附技术,根据TSA性能曲线,多组分混合气在一定的工作压力下,常温吸附,高温解析的特点,使目标产品气和杂质进行分离。脱氧干燥技术,在催化剂作用下,粗氢气中的氧和氢反应生成水使得粗氢中的氧被除去;生成的水再由冷却器冷却和TSA干燥系统除去,达到提纯氢气的目的。

查看详情
变压吸附提氢技术
变压吸附提氢技术

编号:KR-PSA-H
产地:苏州
变压吸附(Pressure Swing Adsorption.简称PSA)是一种新型气体吸附分离技术,气体混合物的吸附分离是在固定吸附床中实现的。可适用于变换气,甲醇裂解气,甲醇驰放气、合成氨尾气,炼厂加氢低分气、焦炉煤气、水煤气、催化干气,重整氢等各类含氢气体。

查看详情
变压吸附脱碳技术
变压吸附脱碳技术

编号:KR-PAS-C
产地:苏州
气体混合物的吸附分离是在固定吸附床中实现的。把一种或多种吸附剂充填在吸附床中,当含氢的混合气体在一定压力下进入吸附床后,由于气体组份存在吸附特性差异,不同的组份在吸附床的不同位置形成吸附富集区,强吸附组份(CO2)富集于吸附床的人口端,弱吸附组份(H2)富集于吸附床出口端,其余组份的富集区以吸附性强弱差异分布于吸附床中部,从而实现CO2的分离脱除。

查看详情
变压吸附制氮技术
变压吸附制氮技术

编号:KR-PSA-N
产地:苏州
以空气为原料,以碳分子筛作为吸附剂,运用变压吸附原理,利用碳分子筛对氧和氮的选择性吸附而使氮和氧分离的方法,通称PSA制氮。

查看详情
变压吸附制氧技术
变压吸附制氧技术

编号:KR-VPSA-O
产地:苏州
以空气为原料,运用变压吸附原理,利用沸石分子筛对氧和氮的选择性吸附而使氮和氧分离的方法,通称真空变压吸附制氧

查看详情
氢气回收、净化、干燥技术
氢气回收、净化、干燥技术

编号:KR-JH2000
产地:苏州
根据原料气体的来源,采用预处理、变压吸附(PSA)、变温吸附(TSA)等工艺组合达到回收气体的目的。

查看详情
湿法脱硫技术
湿法脱硫技术

编号:KR-JHS-1000
产地:苏州
湿法脱硫是指通过可再生的溶剂将气体中的硫化氢脱除的过程。适用于各类加氢装置中循环氢、焦化干气、催化干气、加氢干气、低分气、焦炉煤气、煤气、变换气等气体的脱硫

查看详情
UV光催化氧化废气处理技术
UV光催化氧化废气处理技术

编号:KR-UV1000
产地:苏州
UV光催化氧化法是利用TiO2等催化剂的光催化活性,使吸附在催化介质表面的VOCs发生氧化还原反应,转化为二氧化碳、水及无机小分子物质。于TiO2价格低廉而来源广泛,对紫外光吸收率高,抗光腐蚀性、化学稳定性和催化活性高,且没有毒性,对很多有机物有较强吸附作用,因而成为实验研究中常用的光催化剂。光催化氧化法的主要优点是能量利用率高,通常在常温下进行操作,无副产物形成,使用后的催化剂可用物理和化学方法再生后循环使用,VOCs降解率可达到80%。

查看详情
Copyright © 2024-2025 苏州科瑞工程科技有限公司 版权所有 苏ICP备19072973号-1 . 网站地图 . 网站统计